Powering Embedded Electronics Projects
When designing embedded electronic projects, one of the most important considerations is how to power the system. Typically, there are two main options for powering projects:
- Battery Power: Using batteries to provide power to portable or remote systems.
- Wall Power: Somehow connecting the system to mains power, usually through an AC to DC power supply.
Projects may also require converting voltages to supply the correct voltage levels to different components within an embedded system. Typical voltage levels include 3.3V, 5V, 12V, and 24V.
Why Power Supplies Matter
Different types of power supplies fill different needs, both mechanically and electrically.
Stationary low-power systems typically use wall power supplies like USB adapters. Portable low-power systems often use batteries, like Lithium-Ion or Lead Acid. Industrial or high-power systems may use DIN rail mounted supplies, or free-standing supplies that take in 120VAC and output DC voltages like 12V or 24V.
Different types of power supplies also typically have different mechanical characteristics.
Wall USB supplies are usually small, lightweight, and use USB connectors. DC-DC regulators are typically either through-hole or chassis mount with free leads for attaching custom connectors or soldering directly to a PCB. DIN rail supplies are designed to be mounted on standard DIN rails and typically have terminal blocks for wiring connections by turning screws. Other AC to DC power supplies typically also have terminal blocks for wiring connections.
Why Not Just Use a Voltage Divider for DC-DC Regulation?
Early in electronics education, students often learn about voltage dividers using resistors.
The output voltage is determined by the ratio of the two resistors. The output voltage is given by:
So, why not just use a voltage divider to get the voltage levels we need?
The problem with voltage dividers is that they are not designed to efficiently provide power to loads at larger currents.
For example, if we want to power a 5V microcontroller and 3 LEDs from a 12V supply and the microcontroller needs 20mA, and then 20mA per LED (total 80mA) the power dissipated as heat over the resistors is roughly:
This is already almost 1W of power dissipated as heat in the resistors, and over the minimum rating for typical 1/4W resistors. (This will cause the resistors to fail)
In addition, tons of power is wasted as heat, which is inefficient and can cause thermal issues.
Voltage dividers are not suitable for powering loads that draw significant current. Use voltage regulators or dedicated power supplies instead.
When is a Voltage Divider Appropriate?
Voltage dividers are appropriate for low-current applications. In fact, Linear Voltage Regulators work on similar principles to voltage dividers, but use active components to maintain a stable output voltage. Linear regulators are covered more in the next section.
Voltage dividers themselves are not suitable for powering loads, but are common for signal-level and high-impedance applications. For example, voltage dividers are often used to step down higher voltage signals to lower voltage levels that only source/sink small currents, such as a light-dependent resistor (LDR) measurement circuit.
Switching vs Linear Regulators
Two common types of voltage regulators are linear and switching regulators. It's important to understand the differences between the two types.
Linear Regulators
Image credit: https://upload.wikimedia.org/wikipedia/commons/9/98/Series_reg.gif
These are simple circuits that use active components (like transistors, and diodes) to maintain a constant output voltage. Excess voltage is dissipated as heat via a variable resistor.
Use a linear regulator when the difference between input and output voltage is small, the load current is low, or when low output noise is critical.
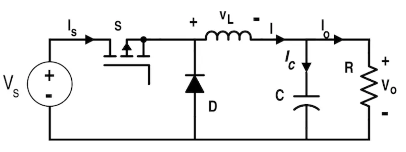
Switching Regulators
Image credit: https://www.allaboutcircuits.com/uploads/articles/Buck-converter-switching-regulator.png
Switching regulators are more complex, and use PWM and energy storage components (inductors and capacitors) to efficiently convert one voltage level to another. They are more efficient than linear regulators, especially when there is a large difference between input and output voltages.
Use a switching regulator when efficiency is important, if the input voltage is significantly higher than the output voltage, or if the system needs to supply higher currents.
Image credit: https://www.allaboutcircuits.com/uploads/articles/DC-voltage-vs-PWM-duty-cycle.png
Example Parts
| Part | Link | Type | Maximum Output Current | Datasheet |
|---|---|---|---|---|
| Amazon DC-DC Adjustable Buck Converter | Link | Switching | 3A | LM2596 |
| Amazon DC-DC Adjustable Buck With Display | Link | Switching | 3A | LM2596 |
| Amazon DC Boost Converter | Link | Switching | 2A | MT3608 |
Battery Power
Some electronics are either mobile or located in remote areas where typical wall power is not available. In these cases, batteries are often used to provide power. Typical battery voltages for embedded applications include:
- 3.7V (Li-Ion single cell)
- 7.4V (Li-Ion 2 cell)
- 12V (Lead Acid)
- 24V (Lead Acid)
Three of the most common battery chemistries are Lithium-Ion (Li-Ion), Lead Acid, and Alkaline.
Different Battery Types
Different battery chemistries have different electrical and mechanical characteristics.
Alkaline
These are the types of batteries that you typically find in AA, AAA, C, D, and other form factors. They are widely available at low cost, and many consumers are familiar with these types of batteries.
Generally, alkaline batteries have a lower energy density compared to the other types of batteries, but they are easy to source and low cost. You can even find some that are rechargeable.
Use alkaline batteries for low-power, infrequently used devices where cost is a consideration.
Lithium-Ion (Li-Ion)
Li-Ion batteries have become widely popular in recent years, especially for portable electronics. Li-Ion batteries have a very high energy density compared to other types, and can provide high currents without large capacity losses.
Use Li-Ion batteries for portable electronics that require high energy density, or may be recharged frequently.
Lead Acid
Sealed Lead Acid (SLA) batteries are commonly used in automotive and industrial applications. Lead acid batteries are heavy and bulky compared to other types. SLA batteries are more reliable and safer than Lithium-Ion batteries, because they are more stable in extreme temperatures. SLA batteries also are more cost-effective for larger capacity applications.
Use Lead Acid batteries for stationary remote systems or industrial-like applications where weight is not a concern, but reliability and cost are important.
Charge Controllers
When charging batteries, especially from sources like solar panels, it's important to use a charge controller that manages the power going into the battery to prevent overcharging, and to optimize charging power.
If you are just using a usb adapter to charge a Li-Ion battery, a simple charge controller is sufficient. However, if you are using solar panels, a Maximum Power Point Tracking (MPPT) charge controller is recommended to optimize the power harvested from the solar panels.
Example Parts
| Description | Link | Datasheet |
|---|---|---|
| Sparkfun Sunny Buddy MPPT Solar Charger | Link | Datasheet |
| Adafruit PowerBoost 1000 Li-Ion Charger | Link | Datasheet |
Solar and MPPT
Solar panels can be used to provide power to batteries in remote or mobile locations. However, solar panels' voltage and current output can vary significantly based on sunlight conditions. MPPT charge controllers are designed to produce the optimum voltage and current going to the battery to optimize power output, regardless of the solar panel's current voltage and current output.
For more information, you can refer to the following resources:
- https://www.cleanenergyreviews.info/blog/mppt-solar-charge-controllers
- https://www.solar-electric.com/learning-center/mppt-solar-charge-controllers.html/
Use an MPPT charge controller when using solar panels to charge batteries with maximum efficiency.
Wall Power
"Wall power" refers to powering a system from the 120VAC mains power that is available in most buildings. Because most embedded systems operate on DC voltages, an AC to DC power supply is typically used to convert the 120VAC mains power to the required DC voltage levels.
"Blocks" Power Supplies
"Blocks" refer to the common AC to DC power supplies that are often used to power phones, and other consumer electronics. They consist of a power plug to connect to 120VAC mains power, and a DC output (often USB) over 5V. Some other supplies may provide 9V, 12V, or even 24V outputs.
These types of power supplies are very common and are great for electronic systems that are located inside a building, don't require lots of current, and are not designed to be portable.
Example Parts:
AC to DC Power Supplies
These forms of AC-DC converters are standalone units that do not have a USB port, and can typically run at higher currents than those with USB outputs. This form-factor of supply usually has screw terminals where the live, neutral, and ground wires from the mains power are connected, and separate screw terminals for the DC output. These power supplies can also come with multiple voltage rails (for example, 5V, 12V, and 24V outputs).
They are very similar in concept to the "blocks" power supplies, but just bigger and with different connection points and mounting methods.
Use one of these types of supplies when higher current levels are required, or when multiple voltage rails are needed.
Example Parts
DIN Rail Power Supplies
Some power supplies are designed to be mounted on DIN rails, which are commonly used in industrial control cabinets. These power supplies typically convert 120VAC to 24VDC or 12VDC and typically can provide higher current levels compared to consumer-grade USB wall adapters. These power supplies also provide an interface for easy wiring via terminal blocks.
Reference Designs
Solar Powered IoT Device with MPPT Charge Controller
Lithium-Ion Battery Powered System with Boost Converter
120VAC Mains to system with 5V and 12V Rails
Sources
- https://www.power-sonic.com/lithium-vs-lead-acid-batteries/
- https://www.cleanenergyreviews.info/blog/mppt-solar-charge-controllers
- https://en.wikipedia.org/wiki/Linear_regulator
- https://en.wikipedia.org/wiki/Voltage_regulator
- https://learn.sparkfun.com/tutorials/battery-technologies/all
- https://wellgobattery.com/blogs/industry-news-battery-connector-solutions/lithium-vs-alkaline-vs-lead-acid-battery
- https://www.jycbattery.com/why-do-cars-still-use-lead-acid-car-batteries/
- https://www.solar-electric.com/learning-center/mppt-solar-charge-controllers.html/
By: Jacob Simeone - 2025-10-19